BOLETIM VS
Suas Obras Ativas
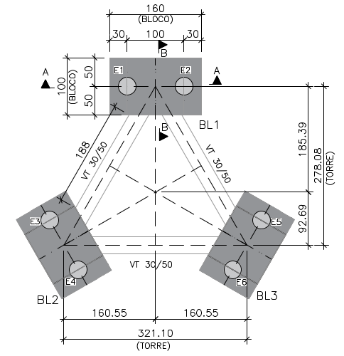
| Estaca | BL | Data | Ø mm | Status |
|---|---|---|---|---|
| E-01 | 01 | 17/04 | 200 | Enviado |
| E-02 | 01 | 18/04 | 200 | Enviado |
| E-03 | 01 | 19/04 | 200 | Enviado |
| E-04 | 02 | 21/04 | 200 | Enviado |
| E-05 | 02 | 22/04 | 200 | Rascunho |
| DE (m) | A (m) | Tipo de Material | Diâm. | |
|---|---|---|---|---|
Selecione os métodos utilizados:
| Estaca | BL | Data | Comp.(m) | Solo(m) | Rocha(m) | R.Granular(m) | Operador | Status |
|---|---|---|---|---|---|---|---|---|
| E-01 | 01 | 17/04 | 9,00 | 5,50 | 3,50 | — | João S. | Enviado |
| E-02 | 01 | 18/04 | 11,50 | 8,00 | 3,50 | — | João S. | Enviado |
| E-03 | 01 | 19/04 | 9,00 | 4,00 | 2,50 | 2,50 | Pedro M. | Enviado |
| E-04 | 02 | 21/04 | 9,00 | 6,50 | 2,50 | — | João S. | Enviado |
| E-05 | 02 | 22/04 | — | — | — | — | Pedro M. | Rascunho |
| TOTAIS | 38,50 | 24,00 | 12,00 | 2,50 | ||||